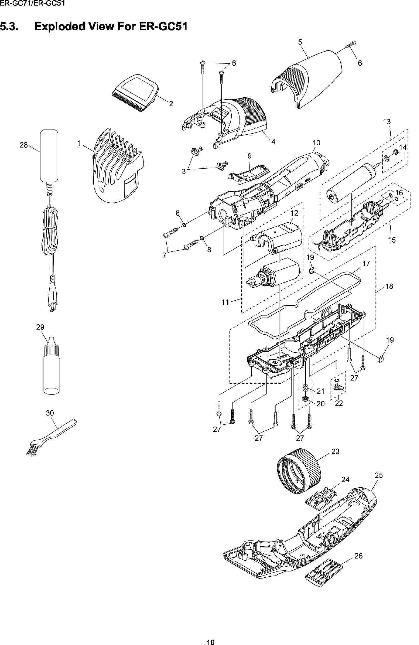
ER-GC51
Panasonic logo

Modelis: ER-GC51

Žemiau yra Panasonic aksesuarų sąrašas.
Jūs galite užsakyti bet kurį kitą Panasonic gamintojo aksesuarą ar atsarginę dalį.

Brežinys

Atsarginės dalys


Vilnius, Lietuva
Tel./Faks.: +370 682 43506
El. paštas: info@panalita.lt